双牌县人民政府
中国政府网
湖南省政府网
永州市政府网
双牌县人民政府
网站无障碍
适老版
首页
走进双牌
政务公开
办事服务
政民互动
站群导航
适老版
双牌县人民政府
网站首页
政务公开
走进双牌
办事服务
政民互动
站群导航
搜索
您现在所在的位置:
首页
>
政务公开
>
信息公开平台
>
政府网站工作年度报表
分享到:
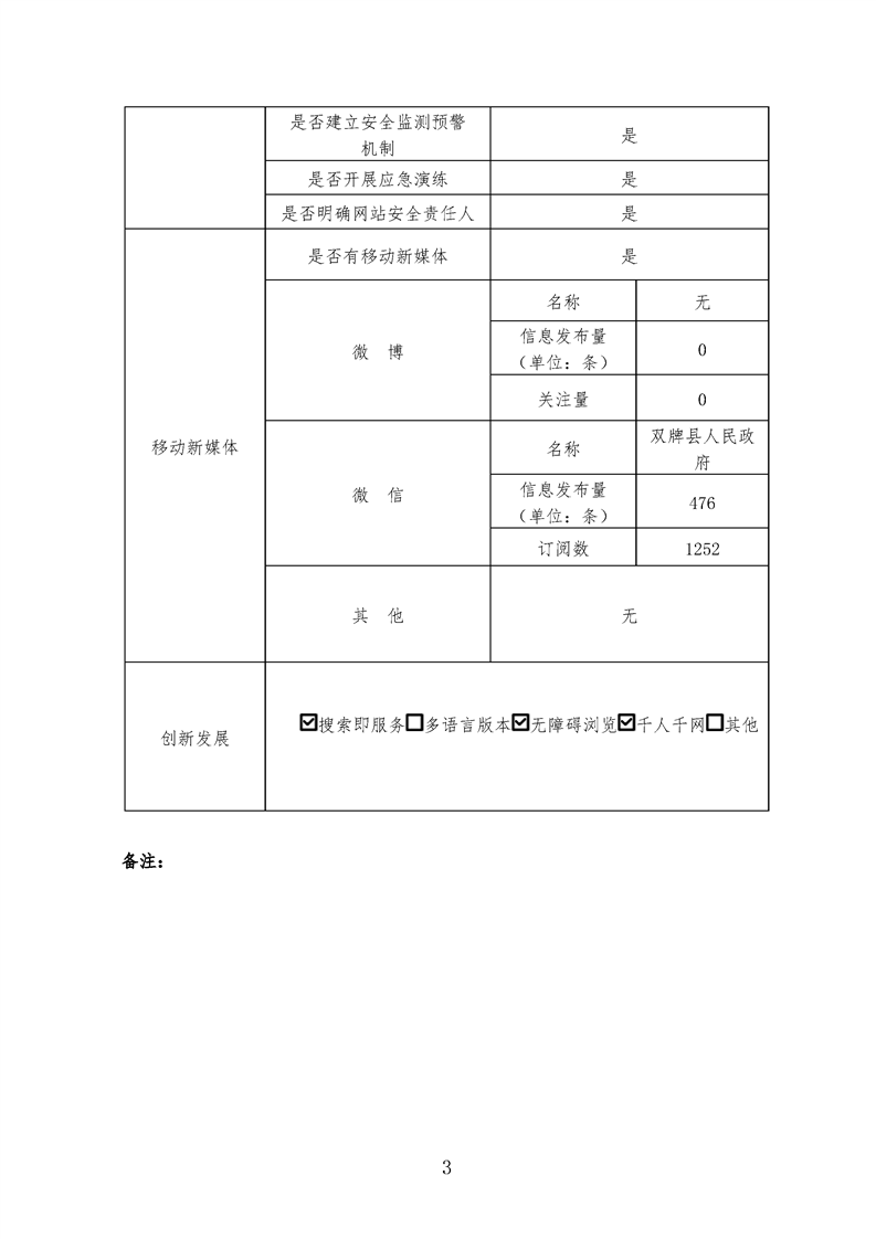
政府网站工作年度报表(2025年度)
发布时间:
2026-01-13 15:47
来源:
双牌县政务服务中心
发布机构:
双牌县人民政府
字体【
大
中
小
】
扫一扫在手机打开当前页
【TOP】
【
打印页面
】【
关闭页面
】
无标题文档
主办单位:双牌县人民政府 承办单位:双牌县政务服务中心
湘ICP备14001799号 湘公安网备43112302000107号 网站标识码:4311230009