目 录
第一部分 黄泥塘镇人民政府部门概况
一、部门职责
二、机构设置及决算单位构成
第二部分 部门决算表
一、部门收支决算总表
二、部门收入决算表
三、部门支出决算表
四、财政拨款收入支出决算总表
五、一般公共预算财政拨款支出决算表
六、一般公共预算财政拨款基本支出决算表
七、一般公共预算财政拨款“三公”经费支出决算表
八、政府性基金预算财政拨款收入支出决算表
九、国有基本经营财政拨款支出决算表
第三部分 2020年度部门决算情况说明
一、收入支出决算总体情况说明
二、收入决算情况说明
三、支出决算情况说明
四、财政拨款收入支出决算总体情况说明
五、一般公共预算财政拨款支出决算情况说明
六、一般公共预算财政拨款基本支出决算情况说明
七、一般公共预算财政拨款“三公”经费支出决算情况说明
八、政府性基金预算收入支出决算情况
九、国有资本经营预算支出决算情况说明
十、预算绩效情况说明
十一、其他重要事项情况说明
第四部分 名词解释
第五部分 附件
第一部分 黄泥塘镇人民政府部门概况
一、 部门职责
1、在上级和镇党委领导下,执行本级人民代表大会的决议,根据上级行政机关的决定和命令,制定具体实施意见。
2、执行本行政区域内的经济和社会发展计划、财政预算,管理全镇的农业、工业及教育、科枝、文化、卫生、计划生育、民政、司法及镇新农村规划和建设、环境保护、土地等行政工作。
3、保护集体财产和公民私人合法财产,维护社会秩序,保障公民的人事权利、民主权利和其他合法权利。
4、保护各种经济组织的合法权益。
5、办理上级人民政府交办的其他事项。
二、机构设置及决算单位构成
(一)内设机构设置。祁阳县黄泥塘镇镇人民政府内设11个机构包括:党政综合办公室、基层党建办公室、经济发展办公室、社会事务办公室、财政所、社会治安和应急管理办公室、社会事业综合服务中心、农业综合服务中心、便民服务中心、退役军人服务站、综合行政执法大队。
(二)决算单位构成。祁阳县黄泥塘镇人民政府2020年部门决算汇总公开单位构成包括:祁阳县黄泥塘镇人民政府本级、内设机构及下属单位。
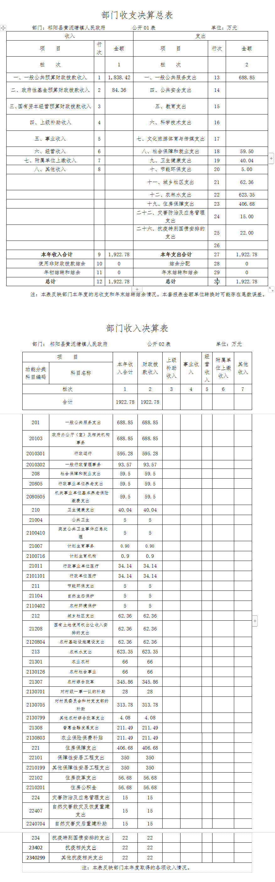
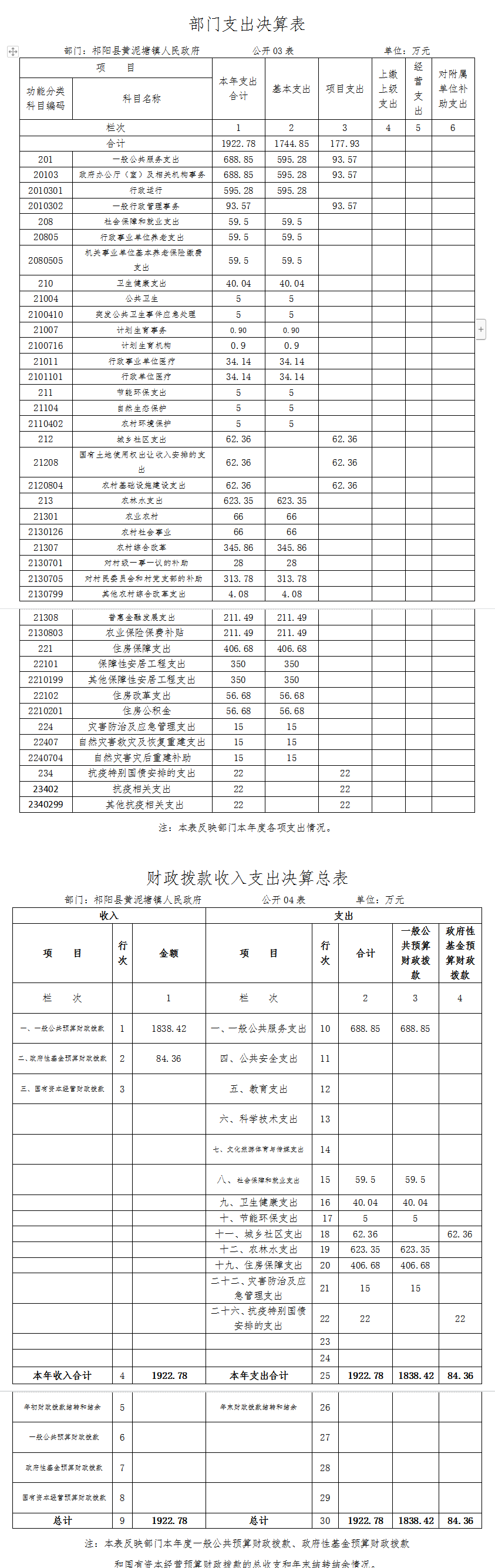
第二部分 部门决算表






第三部分 2020年度部门决算情况说明
一、收入支出决算总体情况说明
2020 年度收、支总计1922.78万元。与2019年相比,增加369.56万元,增长21.26%,主要是因为人员增加。
二、收入决算情况说明
本年收入合计1922.78万元,其中:财政拨款收入1922.78万元,占100%;上级补助收入0万元,;事业收入0万元;经营收入0万元;附属单位上缴收入0万元;其他收入0万元。
三、支出决算情况说明
本年支出合计1922.78万元,其中:基本支出1744.85万元,占92.31%,主要用于本单位开展日常活动所发生的支出;项目支出177.93万元,占7.69%,主要用于各种工程及专项支出;上缴上级支出0万元;经营支出0万元%;对附属单位补助支出0万元。
四、财政拨款收入支出决算总体情况说明
2020年度财政拨款收、支总计1922.78万元,与2019年相比,增加369.56万元,增长21.26%,主要是因为人员增加。
五、一般公共预算财政拨款支出决算情况说明
(一)财政拨款支出决算总体情况
2020年度财政拨款支出1838.42万元,占本年支出合计的95.61%,与2019年相比,财政拨款支出增加100.42万元,增长5.78%,主要是因为人员增加。
(二)财政拨款支出决算结构情况
2020年度财政拨款支出1838.42万元,主要用于以下方面: 一般公共服务支出688.85万元,占37.47%;社会保障和就业支出59.50万元,占3.24%;卫生健康支出40.04万元,占2.18%;节能环保支出5.00万元,占0.27%;农林水支623.35万元,占33.91;住房保障支出406.68万元,占22.12%;灾害防治及应急管理支15.00万元,占0.82%。
(三)财政拨款支出决算具体情况
2020年度财政拨款支出年初预算数为1840万元,支出决算数为1838.42万元,完成年初预算的99.91%,决算数少于年初预算的主要原因是对支出进行了严格管控。其中:
1、201一般公共服务支出688.85万元,20103政府办公厅(室)及相关机构事务688.85万元,2010301行政运行595.28万元,2010302一般行政管理事务93.57万元;
2、208社会保障和就业支出59.50万元,20805行政事业单位养老支出59.50万元,2080505机关事业单位基本养老保险缴费支出59.50万元;
3、210卫生健康支出40.04万元,21004公共卫生5.00万元,2100410突发公共卫生事件应急处理5.00万元,21007计划生育事务 0.90万元,2100716 计划生育机构0.90万元,21011行政事业单位医疗34.14万元,2101101行政单位医疗 34.14万元;
4、211节能环保支出5.00万元,21104自然生态保护5.00万元,2110402农村环境保护5.00万元;
5、213农林水支623.35万元,21301农业农村66.00万元,2130126农村社会事业66.00万元,21307农村综合改革345.86万元,2130701对村级一事一议的补助28.00万元,2130705对村民委员会和村党支部的补助313.78万元,2130799其他农村综合改革支出4.08万元,21308普惠金融发展支211.49万元,2130803农业保险保费补贴211.49万元;
6、221住房保障支出406.68万元,22101保障性安居工程支出 350.00万元,2210199 其他保障性安居工程支出350.00万元,22102 住房改革支出 56.68万元,2210201住房公积金56.68万元;
7、224灾害防治及应急管理支15.00万元,22407 自然灾害救灾及恢复重建支出 15.00万元,2240704自然灾害灾后重建补助15.00万元;
六、一般公共预算财政拨款基本支出决算情况说明
2020年度财政拨款基本支出1744.85万元,其中:人员经费1296.40万元,占基本支出的74.30%,主要包括基本工资、津贴补贴、奖金、伙食补助费、绩效工资、机关事业单位基本养老保险缴费、职业年金缴费、职工基本医疗保险缴费、住房公积金等;公用经费448.45万元,占基本支出的25.70%,主要包括办公费、印刷费、咨询费、手续费、水费、电费等。
七、一般公共预算财政拨款三公经费支出决算情况说明
(一)“三公”经费财政拨款支出决算总体情况说明
“三公”经费财政拨款支出预算为8万元,支出决算为7.76万元,完成预算的97%,其中:
因公出国(境)费支出预算为0万元,支出决算为0万元,完成预算的0%。决算数与年初预算数一致,与上年相比无增减变化。
公务接待费支出预算为3.8万元,支出决算为3.56万元,完成预算的93.68%,决算数小于年初预算数的主要原因是我单位严格执行八项规定,做到有公函接待、按标准接待、控制作陪人数,规范接待流程和公务接待报销手续。与上年相比减少1.03万元,减少22.44%,减少的主要原因是新冠疫情期间,为减少密切接触上面检查和调研减少;
公务用车购置费及运行维护费支出预算为4.2万元,支出决算为4.2万元,完成预算的100%,主要原因是严厉执行上级有关接待的规定,严格按标准按流程接待。与上年相比减少15.6万元,减少78.79%,减少的主要原因是新冠疫情期间,为减少密切接触公车运行减少以及对公务用车购置费及运行维护费支出严格管控。
(二)“三公”经费财政拨款支出决算具体情况说明
2020年度“三公”经费财政拨款支出决算中,公务接待费支出决算3.56元,占45.88%,因公出国(境)费支出决算0万元,占0%,公务用车购置费及运行维护费支出决算4.2万元,占54.12%,其中:
1、因公出国(境)费支出决算为0万元,全年安排因公出国(境)团组0个,累计0人次。
2、公务接待费支出决算为3.56万元,全年共接待来访团组153个、来宾1252人次,主要是迎接上面各项检查和调研团队,原则上都在食堂就餐。
3、公务用车购置费及运行维护费支出决算为4.2万元,其中:公务用车购置费0万元。公务用车运行维护费4.2万元,主要是日常各项工作支出,截止2020年12月31日,我单位开支财政拨款的公务用车保有量为1辆。
八、政府性基金预算收入支出决算情况说明
2020年度政府性基金预算财政拨款收入84.36万元;年初结转和结余0万元;支出84.36万元,其中基本支出0万元,项目支出84.36万元;年末结转和结余0万元。
九、国有资本经营预算支出决算情况说明
2020年度国有资本经营预算财政拨款收入0万元;年初结转和结余0万元;支出0万元,其中基本支出0万元,项目支出0万元;年末结转和结余0万元。
十、关于2020年度预算绩效情况说明
本单位注重绩效管理,严格规范专项经费使用,有效保障了各项财政专项业务的开展,达到了年初项目绩效预期目标。
十一、其他重要事项情况说明
(一)机关运行经费支出情况
本部门2020 年度机关运行经费支出448.45万元,比年初预算数减少0.55万元,与上年相比无增减变动。主要原因是:严格执行财政预算规定核算支出。
(二)一般性支出情况
2020年本部门开支会议费0万元;开支培训费1万元,主要用于开展各村村会计业务培训以及组织中青干部赴省内外培训培训。
(三)政府采购支出情况
本部门2020年度政府采购支出总额0万元,其中:政府采购货物支出0万元,政府采购工程支出0万元,政府采购服务支出0万元,授予中小企业合同金额0万元,占政府采购支出总额的0%。其中:授予小微企业合同金额0万元,占政府采购支出总额的0%。(政府采购金额的计算口径为本部门纳入2020年度部门预算范围的各项政府采购支出金额之和,不包括涉密采购项目的支出金额)。
(四)国有资产占用情况
截至2020年12月31日,本单位共有车辆1辆,其中,领导干部用车1辆;无单位价值50万元以上通用设备;无单位价值100万元以上专用设备。
第四部分 名词解释
一、收入科目
1、财政拨款收入:指财政当年拨付的资金。
2、事业收入:指事业单位开展专业业务活动及辅助活动取得的收入。
3、经营收入:指事业单位在专业业务活动及其辅助活动之外开展非独立核算经营活动取得的收入。
4、其他收入:指除上述“财政拨款收入”、“事业收入”、“经营收入”等以外的收入。
5、用事业基金弥补收支差额:指事业单位在当年的“财政拨款收入”、“事业收入”、“经营收入”、“其他收入”不足以安排当年支出的情况下,使用以前年积累的事业基金(事业单位当年收支相抵后按国家规定提取、用于弥补以后年收支差额的基金)弥补本年收支缺口的资金。
6、上年结转:指以前年尚未完成、结转到本年按有关规定继续使用的资金。
二、支出科目
1、基本支出:是为保障其机构正常运转、完成日常工作任务而发生人员支出和公用支出。
2、项目支出:是指在基本支出之外完成特定行政任务和事业发展目标所发生的支出。
3、工资福利支出:反映单位开支的在职职工和编制外长期聘用人员的各类劳动报酬,以及为上述人员缴纳的各项社会保险费等。
4、商品和服务支出:反映单位购买商品和服务的支出。
5、对个人和家庭的补助:反映单位用于对个人和家庭的补助支出。
三、“三公”经费科目
1、因公出国(境)费用:反映单位公务出国(境)的国际旅费、国内城市间交通费、住宿费、伙食费、培训费、公杂费等支出。
2、公务接待费:反映单位按规定开支的各类公务接待(含外宾接待)费用。
3、公务用车运行维护费:反映单位公务用车租用费、燃料费、维修费、过路过桥费、保险费、安全奖励费用等支出。
第五部分 附件
祁阳县黄泥塘镇2020年度部门整体支出绩效评价报告
2020年度,我单位在县委县政府的领导下,在县财政局的直接指导下,严格遵守《行政事业单位会计制度》,做到资金高度集中,按照先保人员工资,再保政府正常运转,再保其他支出的管理原则,确保了今年我办财政的各项正常运转。现就2020年度部门整体支出绩效评价如下:
一、基本情况
祁阳县黄泥塘镇,是一级人民政府派出机构,主管部门是祁阳县人民政府。单位主要职责是行政职责,属于全额拨款单位。法人代表唐海宁,本单位人员编制85人,在编干部职工85人,实有人员85人。决算汇编范围为独立核算单位共1个,财政职责是对各项资金实施监管核算工作。黄泥塘镇人民政府内设机构包括:黄泥塘镇人民政府机关,管理22个村级转移支付单位为:3个社区,19个村民委员会,。
(一)部门整体支出绩效目标完成情况
1、强化基层党建,不断夯实执政根基。投入大量资金搞好各村用居委会党建宣传栏、党员志愿服务岗等特色党建项目。组织党员参加远程教育学习,组织各级专业技术培训。对镇村社两委班子成员换届选举并进行履职培训,对22个党支部书记进行业务知识轮训,组织22个村组织党员到其他镇村等地参观学习,开拓眼界;对机关支部党员加强理想信念教育;党支部政治思想素质和抓党建能力不断提高,党建引领作用彰显,为实现镇跨越发展提供坚强保障。
2、落实“四扶四建”帮扶措施精准。入户走访,听取意见与建议,落实各项扶贫措施,撰写扶贫日志,送慰问金,解决困难群众就学、就医以及住房等实际困难,介绍贫困户就业,培训技能,为贫困户解决扶贫特惠保60元/人,积极开展消费扶贫,按上级要求来巩固脱贫成果,提高脱贫质量。
3、狠抓村社综合服务平台建设。把村社综合服务平台建设作为一项重要工作来抓。
4、推进城乡建设,街道面貌持续美化。深入开展“一拆二改三种四清洁”专项整治行动,农村、城乡结合部共拆除危房、改厕,完成全办改厕任务。大力开展秋冬农业生产;清理各类水面垃圾近、、打捞水葫芦等。
(二)部门整体支出情况分析
我单位严格按照上级专项资金管理办法使用资金,确保专项资金专款专用。专项资金主要用于行政运行、社会保障,卫生健康,精准扶贫、救助慰问、农村建设、社会综合治理、城乡风貌改造等方面。
1、部门整体支出定性目标及实施计划完成情况。本年预算配置控制较好,财政供养人员控制在预算编制以内,“三公”经费支出总额较上年减少0.01万元,主要是严格执行八项规定。预算执行方面,根据“总量控制、计划管理”的要求从严控制行政经费,压缩公务费开支,严格控制“三公”经费,支出总额控制在预算总额以内;资产配置严格政府采购,按照预算科目规定使用财政资金,保障资金支出的规范化、制度化。预算管理方面,切实有效地执行了内部财务管理制度、资产内部管理制度,预算资金按规定管理使用,较好地完成了当年任务目标。2020年全面完成了上级主管部门下达我办的各项工作任务和重点工作计划。
2、资金管理情况。我办项目资金全部按财政国库集中支付制度要求使用和拨付,通过财政直接支付方式拨给项目实施单位。在拨付过程中严把监督审核关,建立健全内部审批制度,财务做好项目专帐,严格实行专款专用,保证资金及时足额用到项目中。项目资金全部通过财政国库集中支付方式直接拨给项目实施单位。
3、项目实施组织管理情况。我办项目实施和资金使用分配坚持班子人员集体决策。对各类项目制订工作方案,明确时间节点,开展项目规划设计、部署工作,认真落实项目任务。工作中突出重点,高标准规划、精细设计,通过财政局评审,明确由办事处负责人监督,并在规定时间完成项目。各类工作责任制得到有效落实。
二、绩效评价工作情况
1、绩效评价目的
加强和改进新形势下政府行政工作,进一步理清部门职责,规范项目资金管理,强化资金使用效益意识,提升资金管理水平和工作质量。
2、绩效评价工作过程
我单位成立了绩效评价工作小组负责本部门绩效自评工作的组织领导和具体实施,明确了工作职责和分工,制定了切实可行的评价方案。根据各机关部门办公室的情况汇报和提交的工作计划、工作总结等资料,评价小组现场进行询查和核实,根据确定的评价指标、评价标准和评价方法统一打分,形成自评结论。
我镇2020年度严格执行年初部门预算,资金使用及管理规范,制度落实到位,绩效考核目标任务圆满完成。
三、主要绩效及评价结论
2020年部门整体支出绩效自评结果显示,我单位绩效管理情况较为理想,达到了年初设定的各项绩效目标。所有资金使用严格按审批程序办理、操作规范,会计核算结果真实、准确,各项支出严格按照各项制度执行。
四、存在的问题和建议
财务管理工作是一项比较复杂和繁重的工作。2020年财务进行了改革,财务账预算账平行记账,细化了科目提高了对财务核算的要求。加强了政府资产和负债的核算,在财务会计核算中全面引入权责发生制,预算会计核算采用收付实现制。会计处理同时实现双分录模式。
1、由于预算外项目资金没有全部做往来科目核算导致行政支出部门经济类科目金额虚增。财务账套系统在部门经济类科目中的设置与乡镇实际情况不符,其中村级转移支付科目是乡镇财政资金的重中之重占大比率而没有专用名,只得在其他支出科目中核算,建议设置专用科目。
2、年终结账是一项非常重要的工作任务,主要是进行结清旧账,年终转账和记入新账,编制会计报表。通过年终财务分析,绩效评价,总结出管理中的经验,揭示出存在的问题,以便改进财务管理工作,提高我办财务管理水平。
政府会计是指用于确认、计量、记录和报告政府和事业单位财务收支活动及其受托责任的履行情况的会计体系。为了推进政府会计改革,加强廉政建设以构建服务型政府。需进一步完善内控制度,提升管理效能,更好地履行财政职能。
五、其他需要说明的问题




网站首页
走进祁阳
政务公开
办事服务
政民互动



湘公网安备:43112102000120





