目 录
第一部分 茅竹镇人民政府部门概况
一、部门职责
二、机构设置及决算单位构成
第二部分 部门决算表
一、部门收支决算总表
二、部门收入决算表
三、部门支出决算表
四、财政拨款收支决算总表
五、一般公共预算财政拨款支出决算表
六、一般公共预算财政拨款基本支出决算表
七、一般公共预算财政拨款“三公”经费支出决算表
八、政府性基金预算财政拨款收支决算表
九、国有资本经营预算财政拨款支出决算表
第三部分 2020年度部门决算情况说明
一、收入支出决算总体情况说明
二、收入决算情况说明
三、支出决算情况说明
四、财政拨款收入支出决算总体情况说明
五、一般公共预算财政拨款支出决算情况说明
六、一般公共预算财政拨款基本支出决算情况说明
七、一般公共预算财政拨款“三公”经费支出决算情况说明
八、政府性基金预算收入支出决算情况
九、国有资本经营预算支出决算情况说明
十、预算绩效情况说明
十一、其他重要事项情况说明
第四部分 名词解释
第五部分 附件
第一部分 茅竹镇人民政府部门概况
一、部门职责
1、贯彻执行党的路线、方针、政策和国家的法律、法规,落实上级党委、政府的各项决议和决定。
2、制定本镇行政区域内的经济和社会发展规划,并组织实施。
3、负责本镇党的组织、思想和作风建设,充分发挥党员的先锋模范作用。负责做好管理权限范围内干部的日常管理工作。
4、负责强化本镇社会治安综合治理,加强信访和矛盾纠纷调处工作,建立和健全群防群治网络,及时化解各类矛盾纠纷,维护社会稳定。
5、负责本镇财政、自然资源、规划建设、生态环境保护、动物防疫、交通运输、科技和工业经济、商务、应急管理、市场监督管理及农业农村、扶贫开发、统计、林业、水利等工作。
6、负责本镇退役军人事务、国防动员教育、民兵预备役、民族宗教、民政、体育、文化、劳动和社会保障等社会事务管理工作。
7、充分发挥镇党委的领导核心作用,保证和支持基层自治组织行使职权,实行依法自治,充分发挥基层群众自治组织的自我教育、自我管理、自我建设、自我服务作用。
8、负责本镇纪检监察、组织、人事、宣传、统战、人民武装、工会、共青团、妇联、残联、科协等工作。
9、承担镇人大和政协联络等相关工作。
10、完成县委、县人大常委会、县政府、县政协交办的其他工作。
二、机构设置及决算单位构成
(一)内设机构设置。茅竹镇人民政府单位内设11个机构,包括:党政综合办、基层党建办、经济发展办、社会事务办、自然资源和生态环境办、社会治安和应急管理办、社会事业综合服务中心、农业综合服务中心、便民服务中心、退伍军人服务站、城市管理服务中心。
(二)决算单位构成。茅竹镇人民政府单位2020年部门决算汇总公开单位构成包括:竹镇人民政府机关,管理18个村级转移支付单位为:2个农村社区:清水塘社区、茅竹社区;16个自然村:福庆村、大塘村、富里村、大岭村、容驷村、联合村、滴水村、柏家新村、幸福村、板桥村、坦坪村、富联村、老三湾村、周塘村、茶园村、三家村。
第二部分 部门决算表


第三部分 2020年度部门决算情况说明
一、收入支出决算总体情况说明
2020年度收、支总计1560.61万元。与2019年相比,减少57.61万元,减少3.8%,主要是因为人员减少2人及扶贫等项目支出减少。
二、收入决算情况说明
本年收入合计1560.61万元,其中:财政拨款收入1560.61万元,占收入总额的100%;上级补助收入0万元,占0%;事业收入0万元,占0%;经营收入0万元,占0%;附属单位上缴收入0万元,占0%;其他收入0万元,占0%。
三、支出决算情况说明
本年支出合计1560.61万元,其中:基本支出1435.3万元,占支出总额92%,主要用于本单位开展日常活动所发生的支出;项目支出125.31万元,占支出总额8%,主要用于基础设施支出;上缴上级支出0万元,占0%;经营支出0万元,占0%;对附属单位补助支出0万元,占0%。
四、财政拨款收入支出决算总体情况说明
2020年度财政拨款收、支总计1560.61万元,与2019年相比,减少57.61万元,减少3.8%,主要是因为减少了茅竹镇祁阳路立面改造靓化工程,国债饮水工程等项目的款项支出及人员减少了2人。
五、一般公共预算财政拨款支出决算情况说明
(一)财政拨款支出决算总体情况
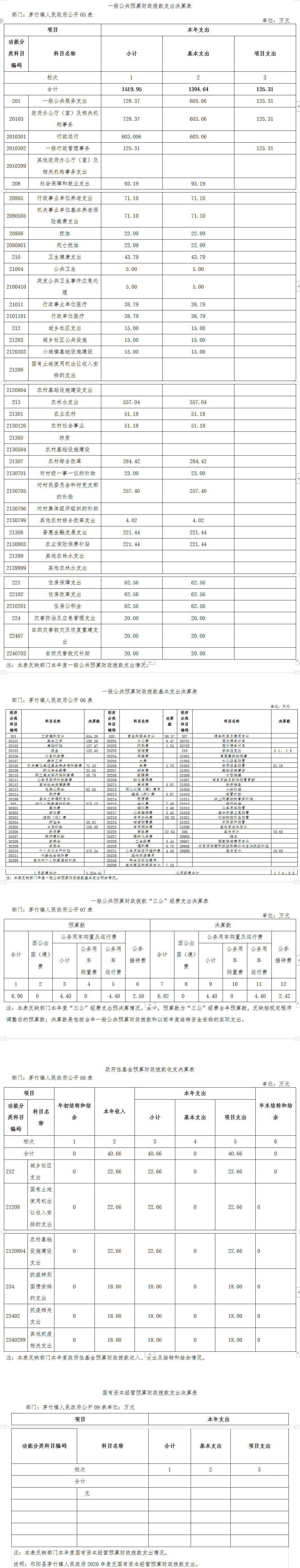
2020年度财政拨款支出1519.95万元(其中:基本支出1394.64万元,项目支出125.31万元),占本年支出合计的100%,与2019年相比,财政拨款支出减少16.95万元,减少1.13%,主要是因为人员减少2人及茅竹镇祁阳路立面改造靓化工程,国债饮水工程等项目的款项支出减少。
(二)财政拨款支出决算结构情况
2020年度财政拨款支出1519.95万元,主要用于以下方面:一般公共服务(类)支出728.37万元,占支出总额的47.92%;社会保障和就业支出93.19万元,占支出总额的6.13%;卫生健康支出43.79万元,占支出总额的2.9%;城乡社区服务支出15万元,占支出总额1%;农林水支出557.04万元,占支出总额的36.65%;住房保障支出62.56万元,占支出总额的4.1%;灾害防治及应急管理支出20万元,占支出总额的1.3%。
(三)财政拨款支出决算具体情况
2020年度财政拨款支出年初预算数为1576万元,支出决算数为1519.95万元,完成年初预算的96.44%,其中:
1、201一般公共服务支出728.37万元:20103政府办公厅(室)及相关机构事务(款)728.37万元:2010301行政运行603.06万元,年初预算为 754.30万元,支出决算为 603.06万元,完成年初预算的79.94 %,决算数小于年初预算数的主要原因是人员变动;2010302一般行政管理事务125.31万元。年初预算为135.80万元,支出决算为 125.31万元,完成年初预算的92.27%,决算数小于年初预算数的主要原因是人员变动。
2、208社会保障和就业支出93.19万元:2080505机关事业单位基本养老保险缴费支出71.10万元,年初预算为88.34万元,支出决算为71.10万元,完成年初预算的80.48%,决算数小于年初预算数的主要原因是人员变动;2080801死亡抚恤22.09万元,年初预算为 0万元,支出决算为 22.09 万元,决算数大于年初预算数的主要原因是因为职工死亡。
3、210卫生健康支出43.79万元:2100410突发公共卫生事件应急处理5万元,年初预算为 0万元,支出决算为 5 万元,决算数大于年初预算数的主要原因是突发疫情引起的开支;2101101行政单位医疗38.79万元,年初预算为42.32万元,支出决算为37.79万元,完成年初预算的91.65%,决算数小于年初预算数的主要原因是人员变动及疫情的影响。
4、212城乡社区支出15万元:2120303小城傎基础设施建设15万元,年初预算为0万元,支出决算为15万元,决算数大于年初预算数的主要原因是乡村振兴增加的临时性开支。
5、213农林水支出557.04万元:2130126农村社会事业支出51.18万元;2130701对村级一事一议补助23万元,年初预算为23万元,支出决算为23万元,完成年初预算的100%;2130705对村民委员会和村党支部的补助257.40万元,年初预算为257.40万元,支出决算为257.40万元,完成年初预算的100%(大于)年初。2130799其他农村综合改革支出4.02万元,年初预算为0万元,支出决算为4.02万元,决算数大于年初预算数的主要原因是增加村干部保险费;2130803农业保险保费补贴221.44万元,年初预算为221.44万元,支出决算为221.44万元,完成年初预算的100%。
6、221住房保障支出62.56万元:2210201住房公积金62.56万元,年初预算为77.73万元,支出决算为62.56万元,完成年初预算的80.48%,决算数小于年初预算数的主要原因是人员变动。
7、224灾害防治及应急管理支出20万元:2240703自然灾害救灾及恢复重建支出20万元,年初预算为0万元,支出决算为20万元,决算数大于年初预算数的主要原因是临时性灾害发生的支出。
六、一般公共预算财政拨款基本支出决算情况说明
2020年一般公共预算财政拨款基本支出1394.64万元,其中:人员经费1224.41万元,占一般公共预算财政拨款基本支出总额的87.79%;主要包括基本工资、津贴补贴、奖金、基本养老保险、基本医疗保险、职业年金、住房公积金、其它工资福利支出及抚恤金等;公用经费170.23万元,占一般公共预算财政拨款基本支出总额的12.21%。主要包括办公费、印刷费、水电费、维修(护)费、公务接待费、差旅费、会议费、培训费、福利费、公车运行维护费及其它交通费、资本性支出和其他支出等
七、一般公共预算财政拨款三公经费支出决算情况说明
(一)“三公”经费财政拨款支出决算总体情况说明
“三公”经费财政拨款支出预算为6.9万元,支出决算为6.82万元,比预算减少0.08万元,其中:
因公出国(境)费支出预算为0万元,支出决算为0万元,完成预算的0%。决算数与年初预算数一致,与上年相比无增减变化。
公务接待费支出预算为2.5万元,支出决算为2.42万元,比预算内减少0.08万元,我单位严格执行八项规定,做到有公函接待、按标准接待、控制作陪人数,规范接待流程和公务接待报销手续。
公务用车购置费及运行维护费支出预算为4.4万元,支出决算为4.4万元,与预算的相平,与上年4.4万元一样,公务用车严格执行单位停放制度,节假日期间除特殊工作需要外封存停驶。
(二)“三公”经费财政拨款支出决算具体情况说明,
2020年度“三公”经费财政拨款支出决算中,公务接待费支出决算2.42万元,占35.48%,因公出国(境)费支出决算0万元,公务用车购置费及运行维护费支出决算4.40万元,占64.52%。其中:
1、因公出国(境)费支出决算为0万元,全年安排因公出国(境)团组0个,累计0人次。
2、公务接待费支出决算为2.42万元,全年共接待来访团组100多个、来宾885人次,主要是迎接上面各项检查和调研团队,原则上都在食堂就餐。
3、公务用车购置费及运行维护费支出决算为4.40万元,其中:公务用车购置费0万元;公务用车运行维护费4.40万元,主要是日常各项工作支出,截止2020年12月31日,我单位财政拨款开支的公务用车保有量为1辆。
八、政府性基金预算收入支出决算情况说明
2020年度政府性基金预算财政拨款收入40.66万元;年初结转和结余0万元;支出40.66万元,其中基本支出0万元,项目支出40.66万元(其中:农村基础设施支出22.66万元,抗疫支出18万元);年末结转和结余0万元。
九、国有资本经营预算支出决算情况说明
2020年度国有资本经营预算财政拨款收入0万元;年初结转和结余0万元;支出0万元,其中基本支出0万元,项目支出0万元;年末结转和结余0万元。
十、关于2020年度预算绩效情况说明
根据预算绩效管理要求,本单位组织对2020年度一般公共预算项目支出全面开展绩效自评,其中本年度进一步完善财务管理体制和运行机制、建立科学化、精细化的预算管理机制、建立绩效评价制度、加快财务监管体系建设、提高经费使用效益、强化财务风险管理。提高预算编制的科学性、准确性,按照“量入为出,统筹兼顾、保证重点、收支平衡”的原则,科学合理编制预算,强化预算执行,提高预算执行效率。
加强财务监督和绩效评价,把绩效管理的理念和方法引入单位经费的管理,逐步建立起以强化资金使用效益为核心的绩效评价体系,工作过程全部进行量化考评。进一步完善财务监督制度,强化重大项目经费的全过程审计。
十一、其他重要事项情况说明
(一)机关运行经费支出情况
本部门2020年度机关运行经费支出170.23万元。比年初预算数135.8万元增加34.43万元,增长20%。主要原因是:劳务开支和现场会、调研会等开支增加
(二)一般性支出情况
2020年本部门开支会议费7.48万元,用于召开起步会、党代会和人大会会议等,人数约230人,内容为评先评优奖、代表误工工资及生活开支;开支培训费2.46万元,用于开展村干部及镇干部业务培训,人数50多人,内容为差旅费;举办三八、七一、十一等节庆、晚会、论坛、赛事活动,开支 22.84万元,各种办公材料及资料37.77万元,用于食堂等福利支出约10.2万元。
(三)政府采购支出情况
本部门2020年度政府采购支出总额0万元,其中:政府采购货物支出0万元、政府采购工程支出0万元、政府采购服务支出0万元。授予中小企业合同金额0万元,占政府采购支出总额的0%,其中:授予小微企业合同金额0万元,占政府采购支出总额的0%。
(三)国有资产占用情况
截至2020年12月31日,本单位共有车辆1辆,其中,领导干部用车1辆,无单位价值50万元以上通用设备,无单位价值100万元以上专用设备。
第四部分 名词解释
一、收入科目
1、财政拨款收入:指财政当年拨付的资金。
2、事业收入:指事业单位开展专业业务活动及辅助活动取得的收入。
3、经营收入:指事业单位在专业业务活动及其辅助活动之外开展非独立核算经营活动取得的收入。
4、其他收入:指除上述“财政拨款收入”、“事业收入”、“经营收入”等以外的收入。
5、用事业基金弥补收支差额:指事业单位在当年的“财政拨款收入”、“事业收入”、“经营收入”、“其他收入”不足以安排当年支出的情况下,使用以前年积累的事业基金(事业单位当年收支相抵后按国家规定提取、用于弥补以后年收支差额的基金)弥补本年收支缺口的资金。
6、上年结转:指以前年尚未完成、结转到本年按有关规定继续使用的资金。
二、支出科目
1、基本支出:是为保障其机构正常运转、完成日常工作任务而发生人员支出和公用支出。
2、项目支出:是指在基本支出之外完成特定行政任务和事业发展目标所发生的支出。
3、工资福利支出:反映单位开支的在职职工和编制外长期聘用人员的各类劳动报酬,以及为上述人员缴纳的各项社会保险费等。
4、商品和服务支出:反映单位购买商品和服务的支出。
5、对个人和家庭的补助:反映单位用于对个人和家庭的补助支出。
三、“三公”经费科目
1、因公出国(境)费用:反映单位公务出国(境)的国际旅费、国内城市间交通费、住宿费、伙食费、培训费、公杂费等支出。
2、公务接待费:反映单位按规定开支的各类公务接待(含外宾接待)费用。
3、公务用车运行维护费:反映单位公务用车租用费、燃料费、维修费、过路过桥费、保险费、安全奖励费用等支出。
第五部分 附件
2020年度部门整体支出绩效评价报告
2020年度,我单位在县委县政府的领导下,在县财政局的直接指导下,严格遵守《行政事业单位会计制度》,做到资金高度集中,按照先保人员工资,再保政府正常运转,再保其他支出的管理原则,确保了今年我镇财政的各项正常运转。现就2020年度部门整体支出绩效评价如下:
一、基本情况
祁阳县茅竹镇人民政府是一级人民政府派出机构,主管部门是祁阳县人民政府。单位主要职责是行政职责,属于全额拨款单位。法人代表柏松亮,本单位人员编制89人,在编干部职工89人,实有人员89人,退休人员24人。决算汇编范围为独立核算单位共1个,财政职责是对各项资金实施监管核算工作。决算汇编范围为独立核算单位共1个,财政职责是对各项资金实施监管核算工作。茅竹镇人民政府内设机构包括:茅竹镇机关,管理18个村级转移支付单位为:2个农村社区:清水塘社区、茅竹社区;16个自然村:福庆村、大塘村、富里村、大岭村、容驷村、联合村、滴水村、柏家新村、幸福村、板桥村、坦坪村、富联村、老三湾村、周塘村、茶园村、三家村。
(一)部门整体支出概况:
1、整体支出规模:2020年部门决算收入1560.61万元,支出1560.61万元。
其中:
(1)、201一般公共服务(类)728.37万元。其中:20103政府办公厅(室)及相关机构事务(款)728.37万元:2010301行政运行603.06万元、2010302一般行政管理事务125.31万元。
(2)、208社会保障和就业(类)93.19万元。其中:2080505机关事业单位基本养老保险缴费支出71.1万元;2080801死亡抚恤22.09万元。
(3)、210卫生健康(类)43.79万元。其中:2100410突发公共卫生事件应急处理支出5万元;21011行政事业单位医疗38.79万元:2101101行政单位医疗38.79万元。
(4)、212城乡社区支出37.66万元:2120303小城傎基础设施建设万15万元;2120804农村基础设施建设支出22.66万元。
(5)、213农林水(类)557.04万元。其中:21301农业农村51.18万元:2130126农村社会事业51.18万元;2130701对村级一事一议的补助支出23万元、2130705对村民委员会和村党支部的补助支出257.40万元、2130799其他农村综合改革支出4.02万元;21308普惠金融发展支出221.44万元:2130803农业保险保费补贴221.44万元。
(6)、221住房保障(类)62.56万元。其中:22102住房改革支出62.56万元:2210201住房公积金62.56万元。
(7)、224灾害防治及应急管理支出(类)20.00万元。其中:2240703自然灾害灾后重建补助20.00万元。
(8)、234抗疫特别国债安排的支出18万元:2340299其他抗疫相关支出18万元。
2、“三公经费”支出:三公”经费财政拨款支出预算为6.9万元,支出决算为6.82万元,完成预算的98.84%。其中:
(1)、因公出国(境)费支出决算为0万元,全年安排因公出国(境)团组0个,累计0人次,开支内容包括:无
(2)、公务接待费支出决算为2.42万元,全年共接待来访团组100多个、来宾885人次,主要是会议费发生的接待支出。
(3)、公务用车购置费及运行维护费支出决算为4.40万元,其中:公务用车购置费0万元;公务用车运行维护费4.40万元,主要是维修费和燃料费支出。
3、结转结余情况:上年结转0万元,年终结转0万元。主要原因是根据上级要求和遵循厉行节约的原则,严格执行财政预算规定核算支出。
(二)部门整体支出绩效目标完成情况
1、强化基层党建,不断夯实执政根基。对机关支部党员加强理想信念教育;党支部政治思想素质和抓党建能力不断提高,党建引领作用彰显,为实现街道跨越发展提供坚强保障。
2、狠抓村社综合服务平台建设。把村社综合服务平台建设作为一项重要工作来抓。
3、推进城乡建设,街道面貌持续美化。深入开展“一拆二改三种四清洁”专项整治行动,农村、城乡结合部共拆除危房、改厕,完成全办改厕任务。大力开展秋冬农业生产;清理各类水面垃圾等。
(三)部门整体支出情况分析
我镇严格按照上级专项资金管理办法使用资金,确保专项资金专款专用。专项资金主要用于行政运行、社会保障,卫生健康,精准扶贫、救助慰问、农村建设、社会综合治理、城乡风貌改造等方面。
1、部门整体支出定性目标及实施计划完成情况。本年预算配置控制较好,财政供养人员控制在预算编制以内,“三公”经费支出总额较上年减少。预算执行方面,根据“总量控制、计划管理”的要求从严控制行政经费,压缩公务费开支,严格控制“三公”经费,支出总额控制在预算总额以内;资产配置严格政府采购,按照预算科目规定使用财政资金,保障资金支出的规范化、制度化。预算管理方面,切实有效地执行了内部财务管理制度、资产内部管理制度,预算资金按规定管理使用,较好地完成了当年任务目标。2020年全面完成了上级主管部门下达我镇的各项工作任务和重点工作计划。
2、资金管理情况。我镇项目资金全部按财政国库集中支付制度要求使用和拨付,通过财政直接支付方式拨给项目实施单位。在拨付过程中严把监督审核关,建立健全内部审批制度,财务做好项目专帐,严格实行专款专用,保证资金及时足额用到项目中。项目资金全部通过财政国库集中支付方式直接拨给项目实施单位。
3、项目实施组织管理情况。我镇项目实施和资金使用分配坚持班子人员集体决策。对各类项目制订工作方案,明确时间节点,开展项目规划设计、部署工作,认真落实项目任务。工作中突出重点,高标准规划、精细设计,通过财政局评审,明确由镇负责人监督,并在规定时间完成项目。各类工作责任制得到有效落实。
二、绩效评价工作情况
1、绩效评价目的
加强和改进新形势下政府行政工作,进一步理清部门职责,规范项目资金管理,强化资金使用效益意识,提升资金管理水平和工作质量。
2、绩效评价工作过程
我镇成立了绩效评价工作小组负责本部门绩效自评工作的组织领导和具体实施,明确了工作职责和分工,制定了切实可行的评价方案。根据各机关部门办公室的情况汇报和提交的工作计划、工作总结等资料,评价小组现场进行询查和核实,根据确定的评价指标、评价标准和评价方法统一打分,形成自评结论。
我镇2020年度严格执行年初部门预算,资金使用及管理规范,制度落实到位,绩效考核目标任务圆满完成。
三、主要绩效及评价结论
2020年部门整体支出绩效自评结果显示,我镇绩效管理情况较为理想,达到了年初设定的各项绩效目标。所有资金使用严格按审批程序办理、操作规范,会计核算结果真实、准确,各项支出严格按照各项制度执行。
四、存在的问题和建议
财务管理工作是一项科学精细化的工作。现在实行的财务账预算账平行记账,会计处理同时实现双分录模式,细化了科目,提高了对财务核算的要求,加强了政府资产和负债的核算。在财务会计核算中全面引入权责发生制,预算会计核算采用收付实现制。我镇存在的问题是:财务制度有待进一步健全,基本支出有待进一步细化。




网站首页
走进祁阳
政务公开
办事服务
政民互动



湘公网安备:43112102000120





