[an error occurred while processing the directive] 无标题文档
您现在所在的位置: 首页 > 政务公开 > 依法治县 > 行政执法监督
分享到:
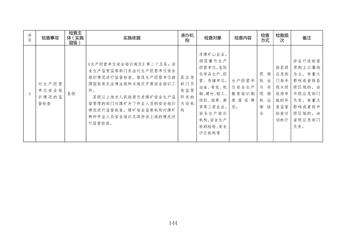
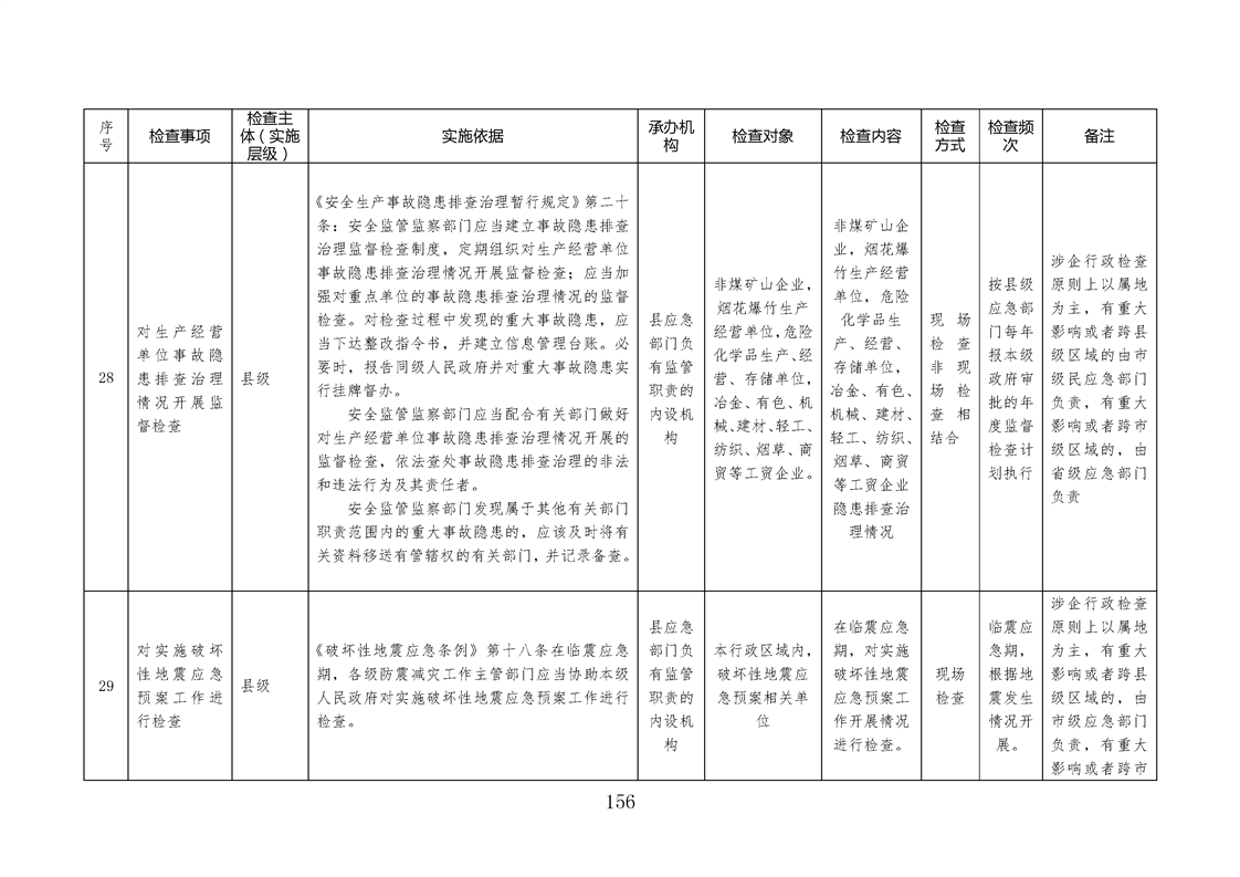
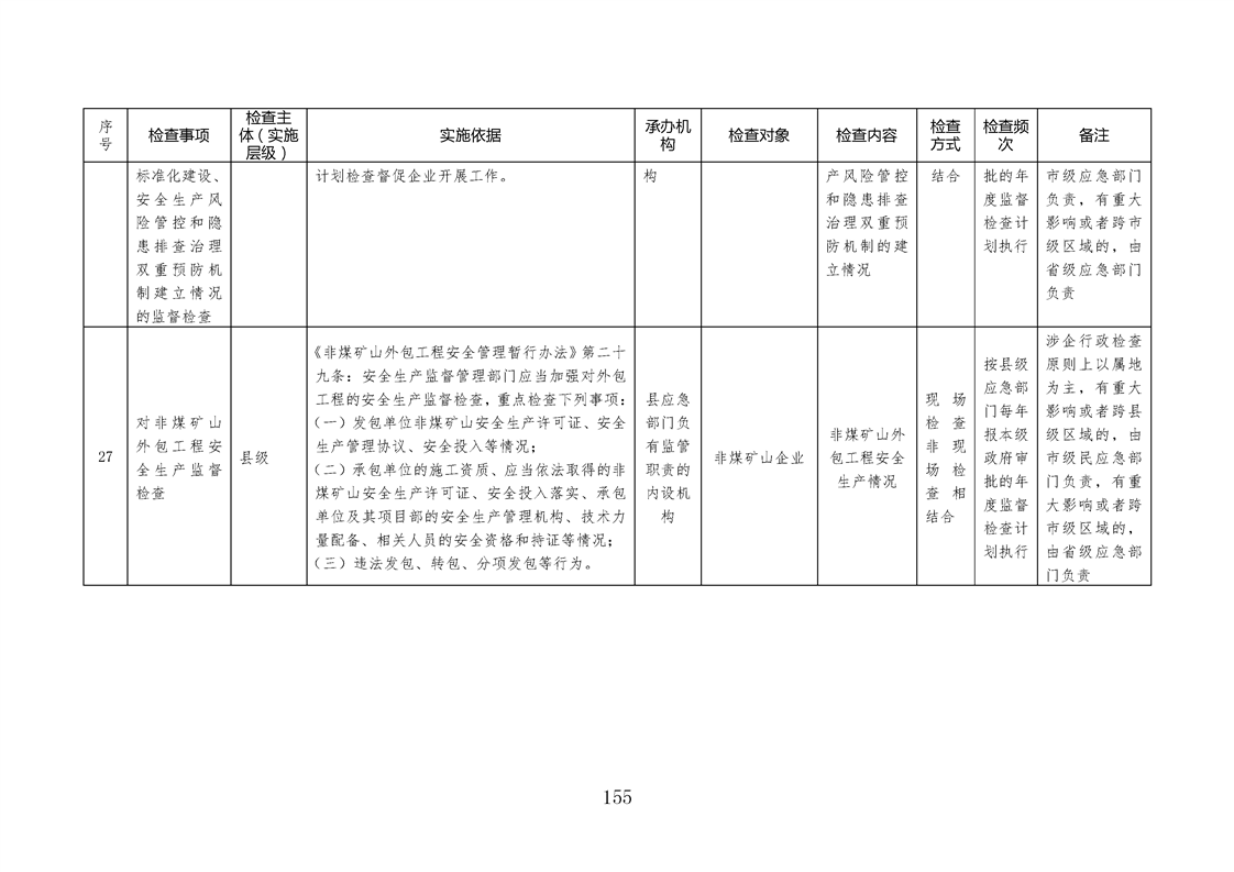
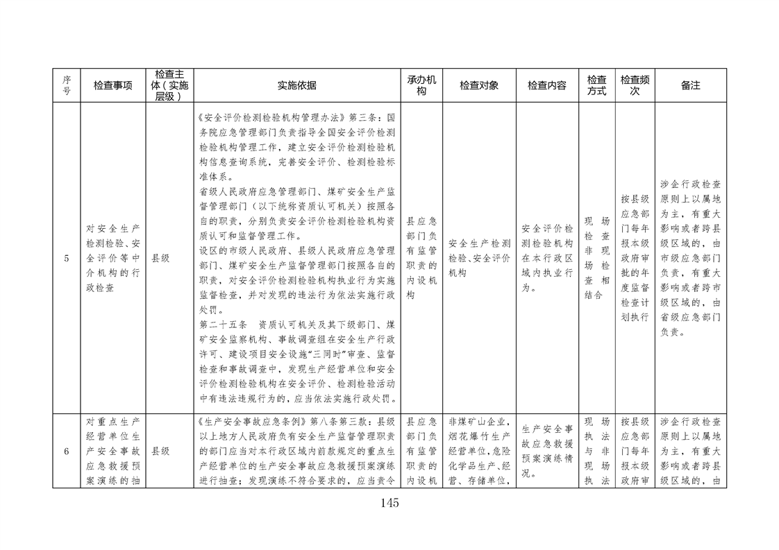
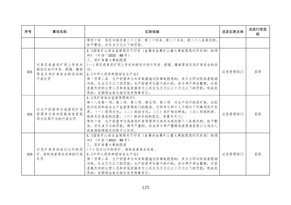
宁远县应急管理局2025年度涉企行政检查事项
  • 发布时间:2025-04-25 11:33
  • 来源: 宁远县司法局
  • 发布机构:宁远县司法局
  • 字体【      】
































































































































































上一篇: 下一篇:
相关政策
扫一扫在手机打开当前页