适老版
网站首页
魅力潇湘
政务公开
办事服务
政民互动
搜索
中国政府网
|
湖南省人民政府
|
永州市人民政府
无障碍浏览
| 适老版
繁
网站首页
政务公开
办事服务
政民互动
魅力潇湘
X
您现在所在的位置 :
首页
>
政务公开
>
通知公告
分享到:
通知公告
索引号:
4311030021/2022-00676
分类:
发文机关:
市生态环境局冷水滩分局
发文日期:
2022-12-15
名称:
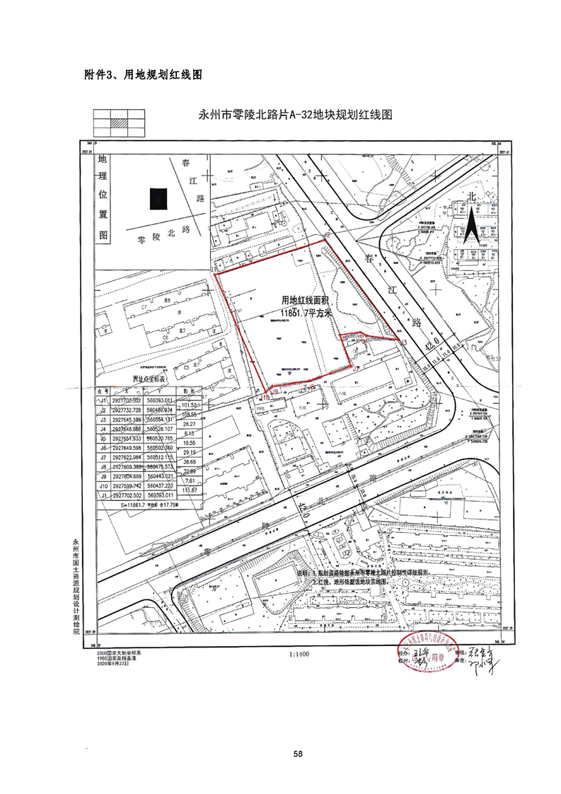
永州市生态环境局冷水滩分局关于《永州市零陵北路片A-32(17.8亩)规划地块土壤污染状况调查报告》的公示
文号 :
永州市生态环境局冷水滩分局关于《永州市零陵北路片A-32(17.8亩)规划地块土壤污染状况调查报告》的公示
2022-12-15
来源:
永州市生态环境局冷水滩分局
【字体:
大
中
小
】
打印
扫一扫在手机打开当前页
【TOP】
【
打印页面
】【
关闭页面
】