您现在所在的位置 : 首页 > 信息公开 > 政府网站工作年度报表
分享到:
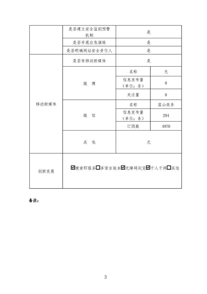
蓝山县2025年政府网站工作年度报表
  • 2026-01-14 10:51
  • 来源: 蓝山县数据局
  • 发布机构:蓝山县数据局(行政审批服务局)
  • 作者:
  • 【字体:    



扫一扫在手机打开当前页

设为首页 | 加入收藏 | 网站声明 | 站点地图| 联系我们|邮箱:lsjjxxzx@126.com
主办:蓝山县人民政府办公室    承办:蓝山县数据局(蓝山县行政审批服务局)    联系电话:0746-2226151
备案号:湘ICP备05012207号  网站标识码:4311270010   湘公网安备 43112702000005号

  • 湖南省政府网
  • 蓝山政务
  • 承办:蓝山县行政审批服务局  技术支持:开普云