您现在所在的位置 : 首页 > 履职依据 > 法规公文
索引号: 4311000018/2025-08943 分类:  
发文机关: 经开区 发文日期: 2025-07-14 17:21
名称: 永州经济技术开发区管理委员会办公室关于印发《永州经济技术开发区2025年全员招商引资工作方案》的通知
文号 :    
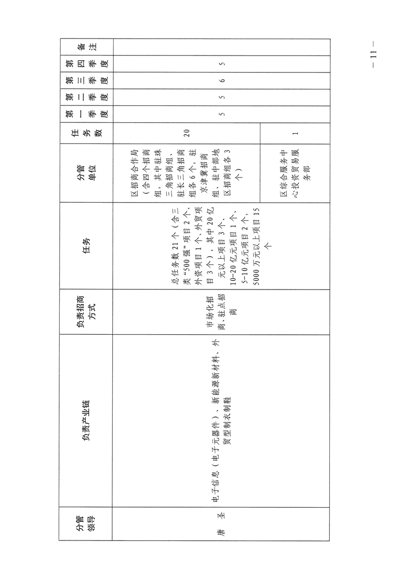
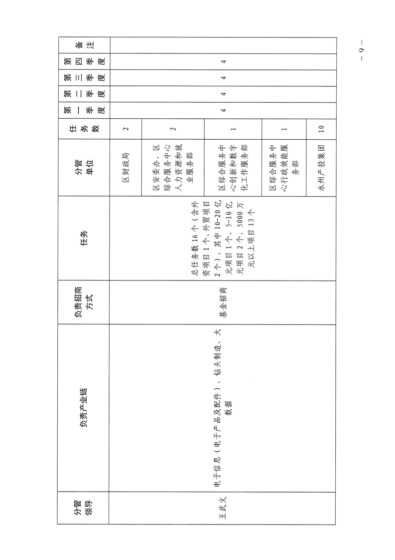
永州经济技术开发区管理委员会办公室关于印发《永州经济技术开发区2025年全员招商引资工作方案》的通知
2025-07-14 17:21           来源: 永州经开区 【字体:   打印
分享到:
扫一扫在手机打开当前页

主办单位:永州经济技术开发区网站  永州经济技术开发区版权所有  备案序号:湘ICP备05009375号 湘公网安备 43110302000125号

 E-mail:yzcity@163.com  联系电话:0746-8223430