网站无障碍
|
适老版
搜 索
网站首页
园区概况
宣传片
基本情况
新闻中心
公示公告
园区动态
省网推荐
图片新闻
央网推荐
国内要闻
焦点关注
招商与开发
区域概况
政策优势
招商项目推介
投资指南
入园企业
项目建设
信息公开
公开指南
依申请公开
领导之窗
部门机构
人事动态
规划计划
公开工作年度报告
办事服务
互动交流
领导信箱
调查征集
结果反馈
专题专栏
牢记嘱托 改革创新 求真务实 奋力谱写中国式...
优化营商环境专栏
打好安全生产翻身仗
奋进新征程建功新时代
不负人民
沿着总书记的足迹·湖南篇
“两重”“两新”送解优专项行动
锚定现代化、改革再深化
学习贯彻党的二十届三中全会精神
重点民生实事
创建绿色园区
您现在所在的位置 :
首页
>
新闻中心
>
公示公告
公示公告
索引号:
4311000018/2025-08797
分类:
发文机关:
经开区
发文日期:
2025-05-29 17:17
名称:
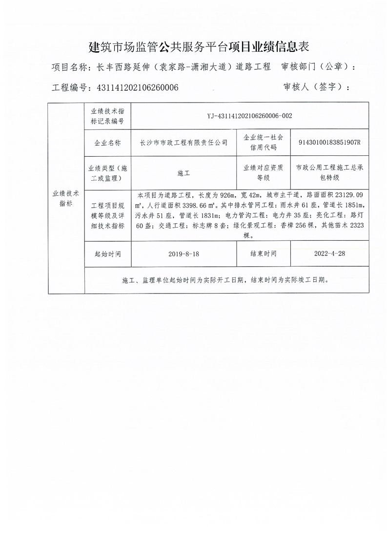
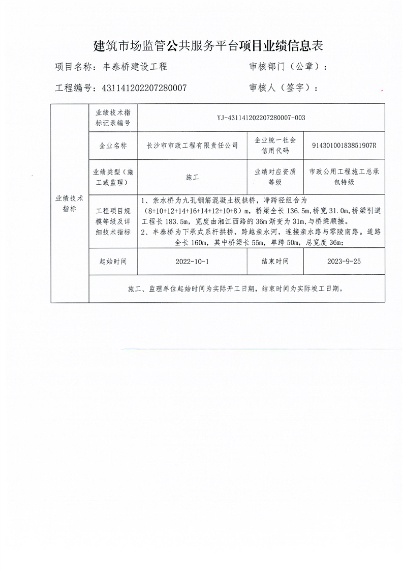
关于永州经开区湘江西路亲水桥改扩建设工程等三个项目业绩技术指标信息的公示
文号 :
关于永州经开区湘江西路亲水桥改扩建设工程等三个项目业绩技术指标信息的公示
2025-05-29 17:17
来源:
永州经开区
【字体:
大
中
小
】
打印
分享到:
扫一扫在手机打开当前页
【TOP】
【
打印页面
】【
关闭页面
】
主办单位:永州经济技术开发区网站 永州经济技术开发区版权所有 备案序号:湘ICP备05009375号
湘公网安备 43110302000125号
E-mail:yzcity@163.com 联系电话:0746-8223430