行政执法
头部
无障碍
适老版
网站首页
走进江华
政务公开
办事服务
政民互动
政府数据
江华瑶族自治县人民政府
http://www.jh.gov.cn/
无障碍 |
适老版
网站首页
走进江华
政务公开
办事服务
政民互动
搜索
您现在所在的位置: 首页 > 政务公开 >
行政执法
分享到:
索引号:
4311290010/2024-00895
分类:
发文机关:
县应急管理局
发文日期:
2024-01-15
名称:
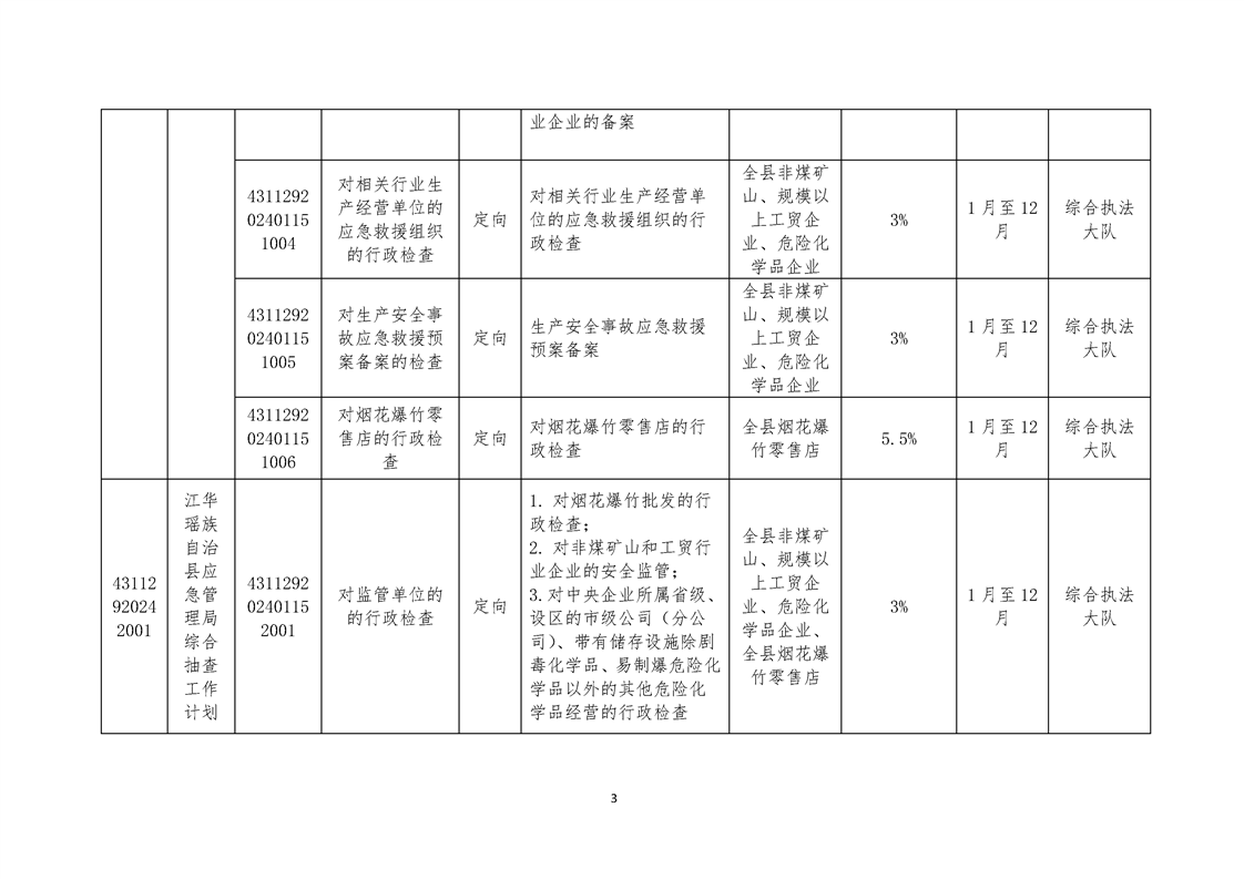
江华瑶族自治县应急管理局关于印发《2024年度“双随机、一公开”监管抽查工作计划》的通知
文号 :
江华瑶族自治县应急管理局关于印发《2024年度“双随机、一公开”监管抽查工作计划》的通知
发布时间:
2024-01-19 15:38
来源:
江华瑶族自治县应急管理局
发布机构:
县应急管理局
字体【
大
中
小
】
扫一扫在手机打开当前页
【TOP】
【
打印页面
】【
关闭页面
】
无标题文档
政务
办事
互动
县情