您现在所在的位置 : 首页 > 政务公开 > 政府网站工作年度报表
分享到:
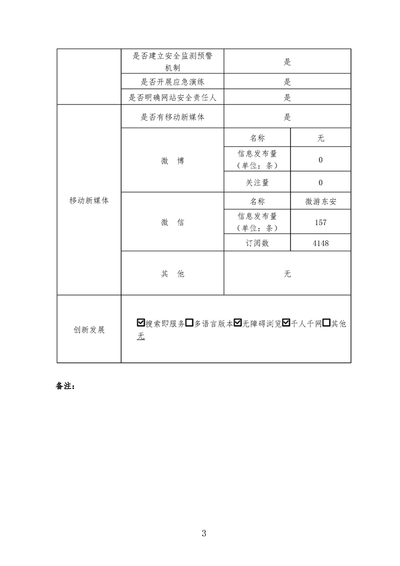
2025年东安县政府网站工作年度报表
  • 2026-01-14 09:26
  • 来源:
  • 发布机构:东安县人民政府
  • 【字体:    



相关政策
Document
友情链接

主办:东安县人民政府办公室  承办:东安县数据局(东安县行政审批服务局)
地址:东安县车站路133号  邮编:425900   网站地图
联系我们:0746-4239377(仅受理网站建设维护相关事宜)
电子邮箱: dadzzw@163.com  湘ICP备16008386号
湘公网安备43112202000005号  网站标识码:4311220001

  • 监督一点通
  • 三湘e监督
  • 湖南省政府网